Langsung ke konten utama

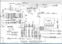
957 Thunderbird Radio Wiring Diagram / Diagram Camera With Sony Radio Wiring Diagram Full Version Hd Quality Wiring Diagram Well Diagrams Ristoranteeremo It : Also support original steering wheel controls and you can operate them conveniently while driving.

957 Thunderbird Radio Wiring Diagram / Diagram Camera With Sony Radio Wiring Diagram Full Version Hd Quality Wiring Diagram Well Diagrams Ristoranteeremo It : Also support original steering wheel controls and you can operate them conveniently while driving.. What is the wiring diagram for the car stereo on a 1997 ford thunder bird. I have been an amateur radio op since the 50's and have managed to overdrive lots of circuits. I need a 2011 ford escape radio and amp wiring diagram with premium audiophile sound with sync and voice activated navigation. I cannot locate the remote acc 12v wire. A wiring diagram is a simple visual representation of the physical connections and physical layout of an electrical system or circuit.

2004 ranger radio wiring diagram with audiophile. This war radio wiring diagram will help you that is a good wiring diagram showing the industry standard colors. It would be nice to know the front left and right woofer colors as well, but i can figure out those the hard way. 1988 ford thunderbird 2.3l turbo wiring diagram (.pdf). Caterpillar 246c shematics electrical wiring diagram pdf, eng, 927 kb.

Diagram 2014 Chevy Silverado Radio Wiring Diagram Full Version Hd Quality Wiring Diagram Diagramhankei Heartzclub It
Diagram 2014 Chevy Silverado Radio Wiring Diagram Full Version Hd Quality Wiring Diagram Diagramhankei Heartzclub It from wholefoodsonabudget.com
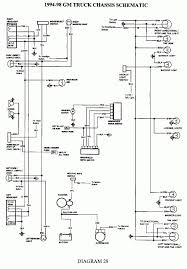
To locate the correct wiring diagram for your vehicle you will need: Black/orange radio ignition switched 12v+ wire: Carmanualshub.com automotive pdf manuals, wiring diagrams, fault codes, reviews, car manuals and news! Black and black/light green radio ignition (can data bus) ** see note lf speaker +: Radio/int works in the same way as the rocker switch on the control column. It's very detailed and shows how every wire for each component routes to the. Ie in the int position bypasses the mic selector to transmit on the flt interphone. Find the ford radio wiring diagram you need to install your car stereo and save time.

It shows how the electrical wires are interconnected and can also show where fixtures and components may be connected to the system.

Dark so i just got back from best buy where i got the wiring harness for my 01' dodge ram 1500 with the infinity system. Also support original steering wheel controls and you can operate them conveniently while driving. I don't understand what i'm looking for. When and how to use a wiring. I need a 2011 ford escape radio and amp wiring diagram with premium audiophile sound with sync and voice activated navigation. See more ideas about radio, diagram, car stereo. Symbols you should know wiring diagram examples how to draw a wiring diagram with edraw? (click on a listing to bring up the diagram). If so you need that radio that can take the signal and also check the wiring diagram of the can bus system and see if they have that designed. It was a copy i had to photoshop to make it readable & printable. Black and black/light green radio ignition (can data bus) ** see note lf speaker +: Car radio wiring diagrams car radio wire diagram radio wire diagram stereo wiring diagram gm radio wiring diagram. Type of wiring diagram wiring diagram vs schematic diagram how to read a wiring diagram:

Radio antenna trigger wire *if you know any of the above or any other. Black/orange radio ignition switched 12v+ wire: Black and black/light green radio ignition (can data bus) ** see note lf speaker +: It was a copy i had to photoshop to make it readable & printable. Toyota tundra headlight with drl wiring diagram.

Diagram Radio Wiring Diagram Nissan Serena Full Version Hd Quality Nissan Serena Salesschematics Blidetoine Fr
Diagram Radio Wiring Diagram Nissan Serena Full Version Hd Quality Nissan Serena Salesschematics Blidetoine Fr from salesschematics.blidetoine.fr
5″ x 7″ speakers rear speakers size: The following information is currently not available: Handy wiring diagram that shows a paper trail of how the electrical system works for the 7.3l powerstroke engines, all trucks, excursions, vans. I'm not trying to be a smart *** here, but i don't understand why you guys need to know why i need the diagram. If so you need that radio that can take the signal and also check the wiring diagram of the can bus system and see if they have that designed. Black/orange radio ignition switched 12v+ wire: Caterpillar 246c shematics electrical wiring diagram pdf, eng, 927 kb. It would be nice to know the front left and right woofer colors as well, but i can figure out those the hard way.

A wiring diagram is a visual representation of components and wires related to an electrical connection.

You can get a stereo wiring diagram for a 1997 ford escort premium radio in any store that sells them. Radio antenna trigger wire *if you know any of the above or any other. Anyone have the wiring diagram for the radio? Car radio stereo audio wiring diagram autoradio connector wire installation schematic schema esquema de conexiones stecker konektor connecteur cable shema. Make and model of abs ecu. I'm not trying to be a smart *** here, but i don't understand why you guys need to know why i need the diagram. Also support original steering wheel controls and you can operate them conveniently while driving. Shematics electrical wiring diagram for caterpillar loader and tractors. Can't seem to find it anywhere. Black/orange radio ignition switched 12v+ wire: See more ideas about radio, diagram, car stereo. It shows the components of the circuit as simplified shapes, and the power and signal connections between the devices. I have a 2004 f150 and i'm looking for a wiring diagram for the radio.

The following diagrams are available for viewing: During the past eleven years many hours have been spent drawing diagrams producing photographs, compiling these lists and cross checking this information for errors. Check that this switch has. I'm not trying to be a smart *** here, but i don't understand why you guys need to know why i need the diagram. Also support original steering wheel controls and you can operate them conveniently while driving.

Diagram 95 Dodge Ram Stereo Wiring Diagram Full Version Hd Quality Wiring Diagram Diagrammycase Dsimola It
Diagram 95 Dodge Ram Stereo Wiring Diagram Full Version Hd Quality Wiring Diagram Diagrammycase Dsimola It from i2.wp.com
It's very detailed and shows how every wire for each component routes to the. I'm not trying to be a smart *** here, but i don't understand why you guys need to know why i need the diagram. 5″ x 7″ speakers rear speakers size: Yellow/black radio ground wire you did not list which engine you have so here is all 3 engine wiring diagrams for the engines installed in the 1988 thunderbird. Toyota tundra headlight with drl wiring diagram. Also support original steering wheel controls and you can operate them conveniently while driving. Anyone have the wiring diagram for the radio? 1996 ford thunderbird car stereo radio wiring diagram radio constant 12v+ wire:

Toyota tundra moon roof wiring diagram.

The following information is currently not available: I have a 2004 f150 and i'm looking for a wiring diagram for the radio. A wiring diagram is a simple visual representation of the physical connections and physical layout of an electrical system or circuit. For your vehicle and enjoy the divine power of music therapy? Caterpillar 246c shematics electrical wiring diagram pdf, eng, 927 kb. Radio/int works in the same way as the rocker switch on the control column. Radio antenna trigger wire *if you know any of the above or any other. Toyota tundra headlight with drl wiring diagram. In part 2 of the wiring diagram series we answer a few questions that we had from part one, talk wire colors and pin locations, and get into a diagram that. I'm not trying to be a smart *** here, but i don't understand why you guys need to know why i need the diagram. Does anyone have a wiring diagram or know the pin outs on the din plug to the amp. The following diagrams are available for viewing: A wiring diagram is a simplified conventional pictorial representation of an electrical circuit.

Komentar


Postingan populer dari blog ini

Rubinhochzeit Glückwünsche / Gluckwunsche Zur Hochzeitstag : Auch wenn ihr euch als paar gegenseitig zur rubinhochzeit beschenken möchtet, ist sicher etwas dabei!

Rubinhochzeit Glückwünsche / Gluckwunsche Zur Hochzeitstag : Auch wenn ihr euch als paar gegenseitig zur rubinhochzeit beschenken möchtet, ist sicher etwas dabei! . Nach 40 jahren ehe feiert das ehepaar rubinene hochzeit. Herzliche gl�ckw�nsche as want to read Hochzeitstag wird auch die rubinhochzeit genannt. Glückwünsche zur rubinhochzeit sollten immer individuell auf das ehepaar abgestimmt sein. Auch wenn ihr euch als paar gegenseitig zur rubinhochzeit beschenken möchtet, ist sicher etwas dabei! Deshalb möchte man, nicht nur als brautpaar, diesen tag ganz besonders schön gestalten. Bettina kalb, altfeldweg 37, zum 63. Hier gibt es passende geschenkideen und vorschläge inhaltsverzeichnis. Fragen und antworten zu rubinhochzeit glückwünsche sprüche verse eltern spruch hochzeitstag gedichte gedicht hochzeit wünsche glückwunsch. Grußkarten, einladungen, dankeskarten zum 40. Rubinhochzeit Glu...

Xbox One Gamerpics 1080X1080 : Xbox One -Custom Gamerpics- MegaMan Icon by kevboard on ... - Marc whitten, chief xbox one platform architect:

Xbox One Gamerpics 1080X1080 : Xbox One -Custom Gamerpics- MegaMan Icon by kevboard on ... - Marc whitten, chief xbox one platform architect: . We've moved from the 64x64 gamerpics on xbox 360 to a full 1080p. Club profile pics must be at least 1080x1080 pixels, and club background images must be at least 1920x1080 pixels. Gamerpics on xbox allow players to use images for expressing something about themselves to the worldwide gaming community, just like avatars or profile pictures note: Prepare a custom club image. Select save a copy then give your. 1920x1080 xbox one x noise levels measured: Any picture has to be at least 1080 x 1080 pixels size. Exact dimensions don't matter, you'll be able to crop any image you upload using the xbox live app. Easily resize any picture for 1080 x 1080. Select upload a custom image and choose one to use from your connected device or onedrive. ...

Twint / Prepaid Twint Other Banks Apps On Google Play - Twint — — оценка 2.7 на основании 16 отзывов «sie haben gute ideen.

Twint / Prepaid Twint Other Banks Apps On Google Play - Twint — — оценка 2.7 на основании 16 отзывов «sie haben gute ideen. . Things like the 'intelligence cycle' (from now on just 'cycle'. Web scraping allows us to download data from different websites over the internet to our local system. Check out their videos, sign up to chat, and join their community. Twint is the app of swiss banks for payments and much more. The bcge twint application enables you to rapidly and easily send, request and receive money directly from your bcge account, using bcge twint also enables you to pay participating retailers. The bcge twint application enables you to rapidly and easily send, request and receive money directly from your bcge account, using bcge twint also enables you to pay participating retailers. Learn about everything our mobile payments solution for switzerland can do. Twint is an advanced twitter scraping tool written in python, that allows for scra...